• Home
  • Greenpage
  • News
  • Project
    • Supply Chains
    • Demonstrators
    • Related Projects
    • Dissemination
      • Public Deliverables
      • Publications
      • Newsletter
      • Project Videos
  • Consortium
Menu
  • Home
  • Greenpage
  • News
  • Project
    • Supply Chains
    • Demonstrators
    • Related Projects
    • Dissemination
      • Public Deliverables
      • Publications
      • Newsletter
      • Project Videos
  • Consortium

Demonstrators

SCD 1.1: Lessons-learned based (critical scenario) update of ADAS/AD Controller (lead: AVL)

SCD 1.2: Robo-taxi (lead: ViF)

SCD 1.3: Virtual City Routing

SC2.1: EV5.0 vehicle with real-time AI-based fault detection, analysis and mitigation

SCD 3.1: Demo vehicle to demonstrate L3 automated with a Driver’s Monitoring System (lead: UNIMORE)

SCD 4.1: AI controlled redundant powertrain

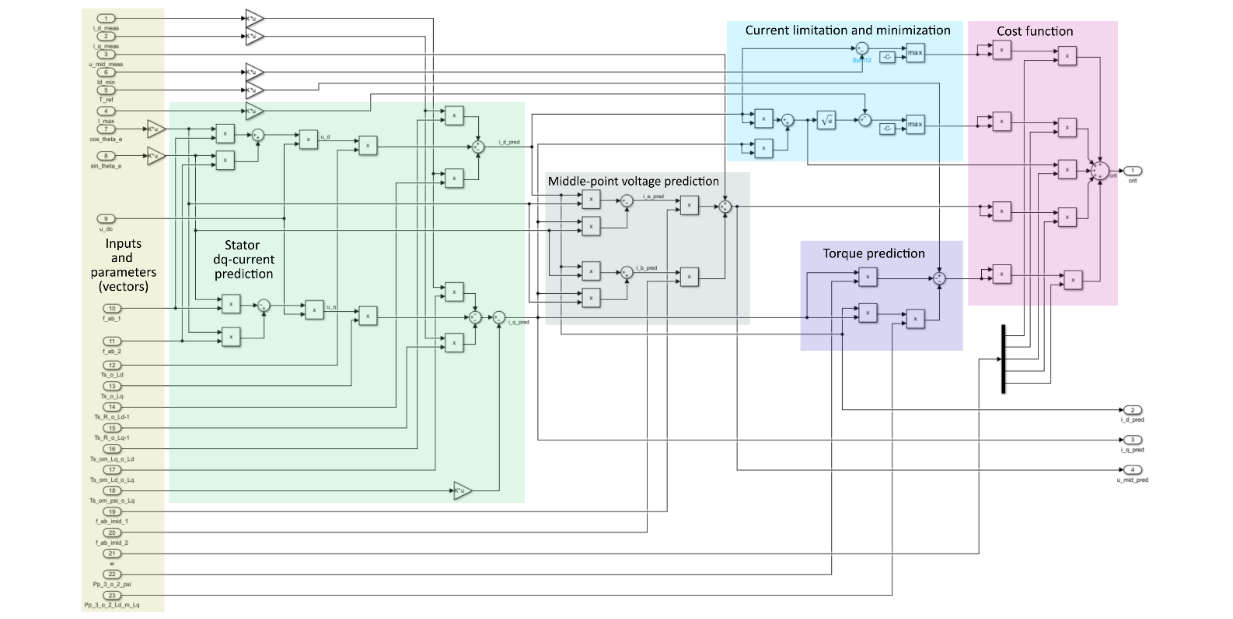
SCD 4.2: AI accelerated powertrain control

SCD 4.3: Intelligent Battery by AI

SCD 6.2: Neuromorphic sensor fusion

SCD 6.4: Localisation and 3D mapping

SCD 6.5: AI-based near field, high resolution 360-degree perception system

SCD 7.1: Enriched virtual models based on standardized real-world data (lead: AVL)

SCD 7.3: Simulation and Virtualization for MultiModal Mobility

Acknowledgement

The project receives grants from the European H2020 research and innovation programme, ECSEL Joint Undertaking, under grant agreement No.101007326.

 

Project Facts

Short Name:  AI4CSM

Full Name:  Automotive Intelligence for Connected Shared Mobility

Duration:  01.05.2021 - 30.11.2024

Total Costs:  41.7 M €

Consortium:  41 partners from 10 countries

Coordinator:  Infineon Technologies AG

Imprint
Privacy Policy
Contact